
折疊濾芯特性疏水性:用于氣體過濾達到無菌,大通量,耐高溫,耐強酸、堿,化學適用性廣,適用于發酵罐,二氧化碳,氮氣,壓縮空氣。用于氣體過濾時,能達到100%截留0.02um以上各種噬菌體、細菌及微粒。親水性:用于液體過濾達到無菌,化學適用性廣,耐強酸、堿,臭氧強度高。疏水性聚四氟乙烯濾芯,其過濾介質為疏水

折疊濾芯是一種深層過濾濾芯,一般用于保安過濾器當中,過濾懸浮顆粒物、鐵銹等不溶解固體,用于保護反滲透膜的進水水源。在購買不銹鋼折疊濾芯的時候,好多用戶不知從哪幾方面來檢驗不銹鋼折疊濾芯是否合格和優質,因為不銹鋼折疊濾芯廠家推出的各種不銹鋼折疊濾芯價格參差不齊,選便宜的吧,又怕質量不好,選貴的吧,花錢

PP濾芯又名熔噴式pp濾芯,采用無毒無味的聚酯纖維粒子,經過加熱熔融、噴絲、牽引、接受成形而制成的管狀濾芯;如果原料以聚酯纖維為主,就可以稱做PP熔噴濾芯。PP棉濾芯指的是聚丙烯熔噴濾芯,PET才是聚酯濾芯。熔噴法原料主要是PP,少量的PET。由于顆粒會在PP熔噴濾芯孔道中發生架橋現象,使小于孔道的顆粒也能被阻攔住,

生物分子純化的很多個步驟都包括過濾步驟,從粗細胞培養液自始至終的澄清到最終產物的濃縮。不同的過濾步驟需要不同的技術和解決方案。生物分子的純化一般包括一些切屑流過濾(CFF或TFF)和/或常規流(NFF或終端)過濾步驟[折疊濾芯]與色譜分離。CFF和NFF分離都能使用可重復使用和一次性使用產品。膜過濾在生物工藝工作流程

折疊濾芯采用聚丙烯復合濾膜(polypropylene)為主過濾材料,該類濾芯是一種先進的固定型深層過濾芯,過濾公稱精度范圍可從0.1μm至60μm。濾膜不受進料壓力波動而影響過濾精度。其特有的低壓差、高通量、良好的過濾精度及較低的經濟費用等優點,深受廣大用戶喜愛。折疊濾芯的材質有PP,PTFE,PES,尼龍,PVDF膜一、PP膜;是由聚丙烯

PP濾芯是以聚丙烯(PP)熱熔方式制作而成,其micron數由1um至300um。該濾芯無內軸采用內密外疏設計,不但能維持穩定的流量、壓力差及使用壽命,同時有極優良的深度過濾效果及污染物累積量,是一種高效率、低壓差、使用壽命長且適用性廣泛的濾芯。由于PP的化學成份乾凈,并符合食用衛生標準,不會由于材料而對所要過濾的液體

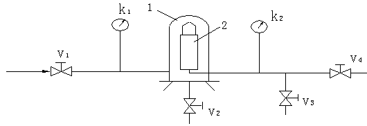
液體除菌過濾器在線蒸汽滅菌操作規程1.適用范圍:本規程適用于以飽和蒸汽作介質時的液體過濾器(除菌微孔膜折疊濾芯)在線滅菌消毒。2.基本條件:2.1 蒸汽為飽和狀態,其進氣壓力應大于0.11MPa 。2.2 裝置示意1 —過濾器外殼 2 —折疊式濾芯v1— 調節閥(蒸汽) v2— 濾器排污閥 v3— 調節閥(針形閥) v4— 下游系統閥k1、k2—

PP熔噴濾芯是采用無毒無味的聚丙烯粒子,經過加熱熔融、噴絲、牽引、接受成形而制成的管狀濾芯。如果原料以聚丙烯為主。就可以稱做PP溶噴濾芯。不僅在水凈化大批量使用.還具有杰出的化學兼容性,適用于強酸、強堿及有機溶劑的過濾。納污能力強,使用壽命長,成本低。PP折疊濾芯采用折疊式,膜過濾面積大,納污量大,壓差低,

1). PP棉熔噴濾芯:是一種采用無毒無味聚丙烯為原料,經過加熱熔融,噴射、牽引、接收成型而制成的濾材。PP濾芯具有孔徑均勻,外疏內密的深層過濾結構,并具有過濾效率高,耐酸堿的優良特性。能有效地除去液體中的懸浮物、微粒、鐵銹等雜質。特點:耐酸堿 納污能力強 通量大 化學相容性好&nb

微孔折疊式過濾芯,其主要過濾材質有:不銹鋼絲網,燒結網、聚丙烯、疏水性聚四氟乙烯、親水性聚四氟乙烯、聚醚砜、尼龍等,大部分原材料從國外進口。微孔膜折疊式過濾芯的主要特性:高截留率、高流通量、低壓差和廣泛的化學相容性;生產工藝采用獨特的熱熔焊接加工技術,無任何粘合劑,無異物釋出。滿足食品、飲料、啤酒、